吹气式液位计可用于敞口容器和密闭容器内介质的液位、密度和界面测量,昌晖仪表在本文对吹气式液位计测量系统算法知识做详细介绍,帮助大家深入了解吹气式液位计及其应用。
吹气测量系统由吹气式液位计本体、配套吹气管和差压变送器等部件组成。吹气式液位计本体内部由壳体,内部管线,减压阀,恒流阀,流量计等部件组成。吹气测量系统以洁净无油的仪表压缩空气为测量介质。将一定压力的压缩空气通过吹气管道输送至被测设备,当吹气管道内的压缩空气压力大于吹气管下端与被测物料接触位置的压力时,吹气管会稳定、连续地吹出固定频率的气泡。此时,吹气管道内压力相对稳定且有一定的代表性。
1、吹气测量系统基本算法
液相吹气管内压力:P1=P液,气相吹气管内压力:P2=P气,则所测介质深度处压力值:△P=P2-P1,被测介质密度ρ,设备所在地重力加速度g,则介质可被测量到的液位高度变化H:H=△P/(ρ×g),容器实际液位高度H实际:H实际=H+h1。
下图介质密度确定时吹气式液位计用于密闭容器内液位测量的典型应用,仪表工选用双路吹气式液位计和1台差压变送器即可完成该液位测量。

图1 吹气式液位计液位测量示意图
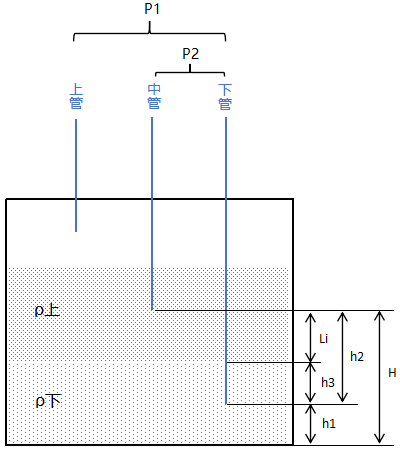
吹气式液位计的基本原理是通过测量计算两种介质之间压力差值进而计算被测参数。而两种介质不仅限于气相与液相。通过测量两种不同密度的液相之间压力差值进而计算,则可以得到两种不溶介质的界面位置。由吹气法基本原理可知:有机相与水相吹气管压力差:△P=P1-P2=ρ有机×(h-Li)×g+ρ水×Li×g

图2 吹气式液位计测界面示意图
经换算,密度确定的密闭容器内介质界面:Li=(△P-ρ有机×h×g)/[(ρ水-ρ有机)×g],式中:P1为水相中吹气管压力;P2为有机相中吹气管压力;h界面测量管间距,Li为界面高度;g为当地重力加速度;ρ有机为有机相密度;ρ水为水相密度。
由上述计算可得,两种不溶介质的界面位置的Li数值。
2、吹气测量系统应用算法
吹气式液位计通过测量设备内各点压力差值,进而换算出目标参数。吹气式液位计输出信号为差压值,因此需要通过各类算法进行换算。对于工艺设备而言,一台设备往往需要测量多个参数,对于控制系统而言,可将典型设备分类并编制计算模块的形式,以减少设计工作量。昌晖仪表列举几种常见设备并对其进行阐述。
2.1 单项贮槽
单项贮槽内介质单一,往往需要测量液位和密度两种参数,其中可细分为两种情况:密度较稳定和密度波动较大。密度较稳定的情况可采用基本算法(图1)。

图3 单项贮槽密度待定示意
当贮槽内介质密度无法给定,上述计算法无法实现正常测量,即需要增加密度补偿功能。密度补偿功能是吹气算法中重要的辅助计算手段。液位测量带密度补偿功能如下:


两式合并可得:
式中,H实际为实际被测液位;P₁为液位测量差压值;P₂为密度测量差压值;h₂为中管与下管间距;h₁为吹气下管距设备底部高度。
2.2 两项贮槽
两项贮槽在核化工领域应用极其广泛,设备内分别有有机相和水相两种互不相溶的介质,两种介质密度差异较大,静置时会出现明显的分层现象。两项贮槽往往需要测量液位,某相或某相介质密度、界面、液位信号等参数。测量参数的增加会导致插入设备的吹气管增加,吹气管之间的配合逻辑也变得更加复杂。按照测量参数大致可分为2种情况:
(1)密度变化较小液位界面测量(图4)

图4 两项贮槽密度给定示意
由于设备内存在两相介质,无法直接通过差压值与密度进行换算,因此需要采用分段计算的方法,先计算中管以上液位高度,与中管、下管距设备底部两段距离相加,即可得到完整液位高度。

式中,H为实际液位高度;P1为上下两吹气管压差;P2为中下两吹气管压差;ρ上为上层介质密度;h1为下管距设备底部距离;h2为中下两管距离;g为重力加速度;h3为界面与下管距离。
界面的计算与测量需要保证两根吹气管同时分别处于两相介质中,即界面位于中管与下管之间。

换算可得

式中,ρ下为下层介质密度。
(2)密度变化较大液位界面测量(图5)

图5 两项贮槽密度待定示意
当设备内介质无法确定时,即需要在测量和计算过程中引入密度补偿用以确定两相密度值。而增加密度补偿则需要相应增加密度测量管,新增的密度管也可作为界面较低时界面测量管,此举可大大减少界面测量盲区,对于倒料作业有较大的指导意义。此类贮槽在工程项目中应用情况极少,但是却代表了工程项目中所应用吹气式液位计算法的核心思想,即引入较多的判断步骤,达到对液位与界面的大致位置判断,进而判断计算参数的可信度。在非接触测量技术改进研究试验过程中,曾出现脉冲萃取柱界面由于超过界面测量仪表的量程而导致控制系统算法无法判断界面位置,以及脉冲萃取柱进料过多导致泄漏等问题。同理,如将判断机制更多的引入算法,则可最大限度避免此类问题发生。
本节列举贮槽由于工况过于极限,而实际应用情况有限,但其表达的计算思想,是编制工程项目吹气式液位计算法的基本逻辑与思路。我们以中管与下管组合测量界面为例,对吹气式液位计算法进行详细阐述。
首先需要分别计算两种介质密度:

式中,ρ上为上层介质密度;ρ下为下层介质密度;P2为中管与中上管压差;P3为下管与中下管压差;g为重力加速度;h2为中管与中上管间距;h3为下管与中下管间距。
①首先需要确定液位大致位置,以中管为界,判断上下管压差与中下管压差:当P上下≥P中下时,可判断液位位于中管以上。此时如果ρ上<1且ρ下>1,即判断此时下管与中下管完全浸没于水相,但中管与中上管是否均位于有机相无法判断。此时需要引入差压值进行判断,当P上下≥P中下+P*+P#时,则中管与中上管均位于有机相内,此时密度值带入液位和界面的计算公式:

式中,P1为上下两管压差;P4为中下两管压差;h1为下管距设备底部距离;h4为中下两管距离;ρ上为上层介质测量密度;g为重力加速度;P*代表中上与中管差压值,P#、P**为修正值,两者为可调值,视不同情况而定。

式中,ρ下为下层介质测量密度。
当P上下<P中下+P*+P#时,即中管位于有机相中而中上管暴露于气相中时,需要引入有机相密度给定值进行计算,即上述计算公式中的ρ上为设定值。
②当P上下≥P中下且ρ下<1时,此时可判断贮槽内界面已下降至中下管以下。当P上下≥P中下+P*+P#时,此时液位高于中上管,公式与上述式相同,但ρ下为下层介质给定密度。
当P上下<P中下+P*+P#时,此时液位低于中上管,两相密度测量均失效,此时计算与上述式相同,ρ上和ρ下均为给定密度。
当P上下<P中下+P*且ρ下>1,此时无法准确判断液位与界面的准确位置,仅能通过ρ下的测量值与ρ上的给定值计算平均密度进而估算液位值。界面仅能确定位于中管与中下管之间。
③当P上下≥P中下+P**且ρ下<1,此时液位位于中下管与中管之间,界面位于下管与中下管之间,可沿用上述液位和界面计算公式,但ρ上和ρ下均为给定密度。
当P上下<P中下+P**且ρ下<1此时界面位置已降至下管之下,液位可通过密度平均值估算,界面位置已无法检测。
本节所列举算法,仅为众多算法中具有代表性的,代表了我们编制工程项目吹气式液位计算法的基本思想。
2.3 混合澄清槽
第2.2节对普通贮槽的算法与判断进行了阐述,本节以混合澄清槽的单级为对象,对其算法与判断进行阐述(图6)。混合澄清槽往往需要测量至少两级的液位、界面等参数,每级测量原理基本一致,通过公用仪表管,可减少插入仪表管数量。

图6 混合澄清槽(单级)测量系统示意
在实际混合澄清槽仪表管设置过程中,往往多级共用一根气相吹气管,其余吹气管依据实际情况设置。当液位处于正常值时,存在如图6情况,1管处于气相,2/3管处于有机相,4/5管处于水相。此时存在判断关系P上下≥P中下+P*+P#,即判断液位稳定处于溢流口位置或高于溢流口,其中P*为2管所受压力值,可根据具体设备插入深度,正常液位及当地重力加速度求得。P#为修正系数,可根据调试结果调整。此时:

式中,P1为上下两管压差;P4为中上-下两管压差;h1为中上-下两管距离;ρ上为上层介质测量密度;g为重力加速度。
当P上下<P中下+P*+P#时,即2管处于气相时,此时可采用密度给定值或采用平均密度计算。

当P上下≥P中下+P*+P#时,即液位处于正常状态时:

式中,P4为中上-下两管压差;h4为中上-下两管距离;ρ上为上层介质测量密度;ρ下为下层介质测量密度;g为重力加速度。
当P上下<P中下+P*+P#时,即2管处于气相时,此时可根据变送器E数值判断界面大概位置。当E保持在大于等于1时,可判断界面位于3/4管之间,当E发生减小,可判断界面位于4/5管之间。
混合澄清槽算法与上述贮槽有一定相似性,但是往往因为工艺要求比较固定,所以没有过多需要考虑的情况,因此在工程项目实际应用中,难度反而有所降低。
3、结论
综上,吹气式液位计作为一个较为复杂的检测装置,与其他检测仪表相比,在吹气式液位计选型、计算、布置、安装等方面都有一定的复杂性和不确定性。吹气测量系统算法经过大量科研探索与研究,实现了不同场景、不同工况的分门别类,适应大多数的应用场景。本文所阐述的算法,包含了较为常见的设备,而对于特殊设备而言,本算法仍需要进行大量的适应性改进。这也体现了吹气液位计测量系统的复杂性,只能通过不断地试验、总结、摸索、再试验的过程,形成稳定成熟的算法。这也是今后科研工作中的一个重要方向。
作者:唐翊桐、王宇婷、冯存强
